Линия углеподачи состоит из транспортёра скребкового ТС-2, предназначеного для механизации подачи топлива от угольного склада в котельную. Уголь...
2
Фильтры натрий-катионитные параллельно-точные первой ступени ФИПа l-2, 0-0, 6 Na, предназначены для обработки воды с целью удаления из нее...
2
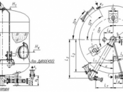
Батарейные циклоны БЦ-2-7х(5+3) представляют собой золоулавливающий бц 2 копия аппарат, состоящий из двух параллельно работающих секций,...
Золоуловитель ЗУ-2 - это горизонтальный циклон, предназначенный для сухой инерционной очистки газов от летучей золы с размером частиц более 50 мкм...
Деаэрационные колонки атмосферного давления КДА-5 предназначены для удаления коррозионно-агрессивных газов (кислорода и свободной углекислоты) из...
Оборудуй.ком — объявления
по продаже оборудования
