2
Циклон БЦ-259-(6x6) - предназначен для очистки дымовых газов в паровых и водогрейных котельных. Батарейный циклон БЦ 259-(6х6) предназначен для...
2
Фильтр ФИПаII-3,0-0,6 представляет собой вертикальный цилиндрический сосуд состоящий из цилиндрического корпуса диаметром 3000мм с приваренными...
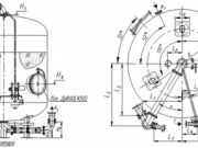
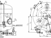
Деаэратор атмосферный ДА-50/25 предназначен для удаления коррозионно-агрессивных газов (кислорода и свободной углекислоты) из питательной воды...
Линия шлакозолоудаления ШЗУ (транспортёр скребковый ) предназначена для механизации удаления шлака от топок котлов из небольших котельных и...
Изготовление батарейных циклонов ЦН-15-300х2УП, ЦН-15-400х2УП, ЦН-15-500х2УП, ЦН-15-600х2УП, ЦН-15-700х2УП, ЦН-15-800х2УП, ЦН-15-900х2УП,...
Модульная котельная установка МКУ-В-3,6 предназначена для применения в системах теплоснабжения в качестве эффективного автономного источника...
Экономайзер чугунный блочный ЭБ-646 применяется в качестве хвостовой поверхности нагрева паровых стационарных котлов производительностью от 2,5 до...
2
Фильтры осветлительные вертикальные ФОВ-1,0-0,6 высокопроизводительное оборудование, предназначенное для ликвидации взвешенных примесей из воды....
Оборудуй.ком — объявления
по продаже оборудования
