Автомат защиты сети АЗР-5 предназначен для автоматического отключения потребителей электроэнергии при перегрузках и коротких замыканиях в цепях...
Переключатели предназначены для коммутации электрических цепей управления переменного тока частотой 50 (60) Гц напряжением 380 В, постоянного тока...
Выключатели концевые серии ВК-200, ВК-300 предназначены для применения в электрических цепях управления, сигнализации и контроля относительного...
Переключатели мгновенного действия ПТ2-10В типа «Тумблер» предназначены для коммутации электрических цепей постоянного и переменного токов в...
Кнопка пуск (черная) 300р Кнопка пуск (красная) 300р Кнопка стоп грибковая с фиксатором (красная) 450р Кнопка стоп грибковая с фиксатором (черная)...
Выключатели ВК300 от компании "Техэнерго" и "Электротехник" являются КИТАЙСКОЙ репликой При близком изучении Вы увидите что контактная группа...
Модификации путевых выключателей БПМ21
Основные характеристики Семейство продуктовHarmony XB4 Тип изделия или компонентаКомплект джойстика Краткое имя устройстваXD4 Материал...
Технические характеристикиGV2ME21Schneider Electric: Назначение: Защита электродвигателей мощностью до 18.5 кВатт от перегрузки и короткого...
Выключатели концевые серии ВК-200, ВК-300 предназначены для применения в электрических цепях управления, сигнализации и контроля относительного...
Серия SZL-Vl-S это новые экономичные миниатюрные концевые выключатели, специально разработанные для применения в небольших монтажных помещениях....
Подробные технические данные Особенности Количество положительных действий N / C контакты 2 Количество контактов N / O 1 Удерживающая сила ? 12 Н...
Класс защиты Технический надзор (EN60947-5-1) Срок службы Механическая часть мин. 1 млн. переключений Электрическая часть мин. 500 тыс....
Особенности ВК300Н надежность механизмов простата решений разработчика механизмы смазаны техническим средством отсутствуют детали сомнительного...
Краткое описание:ГОЛОВКА КОНЦЕВОГО ВЫКЛЮЧАТЕЛЯ
МТ3 тумблер Функциональное назначениепереключатель тумблерный Рабочее напряжение, В250 Рабочий ток,А3 Количество контактных групп2 Подсветканет...
Выключатели концевые серии ВК-200, ВК-300 предназначены для применения в электрических цепях управления, сигнализации и контроля относительного...
Описание OM801:
Переключатель фаз (устройство выбора фаз) ПКФ-41 Применяется при наличии у потребителя трех фазного вввода для выбора из 3х фаз с лучшим...
Обычно используемые в промышленных приложениях управления автоматически контролируют и указывают, превышен ли конкретный предел хода устройства....
Автоматический выключатель ЕZC100N100A производства Schneider Electric. Автоматический выключатель ЕZC100N100A производства Schneider Electric.
Используются на промышленном оборудовании и станках. Служат для переключения диапазонов перемещения подвижных частей станка и промышленного...
Выключатели концевые серии ВК-200, ВК-300 предназначены для применения в электрических цепях управления, сигнализации и контроля относительного...
XCE118 концевой выключатель ролик аналог FR631-71 IMO Технические характеристики:
LIGA 1122 Тумблер on off on трехпозиционный 15 А 250 В
Тип: механический блочный концевой выключатель серии 61. Число точек переключения: 2. Толкатель: резец. Шаг толкателя: 12 мм. Элемент переключения:...
ME8107 - Концевой выключатель / выключатель путевой, регулируемая штанга AE-810 7 - Концевой выключатель / выключатель путевой, регулируемая штанга
Переключатели П2Т-1-1В предназначены для коммутации электрических цепей постоянного и переменного тока. • Сопротивление изоляции, МОм, не менее:...
Технические характеристики ВБО-М18-76Р-3113-С Принцип действияОптические бесконтактные выключатели ИсполнениеПриемник Зона чувствительности (Sd =...
XCE118 концевой выключатель ролик аналог 608-1135-003 BERNSTEIN Технические характеристики:
Концевой переключатель ПС-35 применяется в системах управления в качестве задатчика, формирующего сигнал при возникновении определенного события,...
XCE118 концевой выключатель ролик аналог FR530-7 IMO Технические характеристики:
Тип: механический одиночный концевой выключатель серии 100. Число точек переключения: 1. Толкатель: ролик. Элемент переключения: NO/NC (5 А 250 V...
3ППНТК переключатель трехполюсный перекидной с нейтральным положением предназначен для коммутации электрических цепей постоянного тока с активной и...
Выключатели ВК300 от компании "Техэнерго" и "Электротехник" являются КИТАЙСКОЙ репликой При близком изучении Вы увидите что контактная группа...
XCE118 концевой выключатель ролик аналог SZL-VL-A Honeywell Технические характеристики:
Тумблер ПТ57-8-1В предназначен для коммутации электрических цепей постоянного и переменного тока с частотой до 1000 Гц в радиоэлектронной...
Выключатели ВК300 от компании "Техэнерго" и "Электротехник" являются КИТАЙСКОЙ репликой При близком изучении Вы увидите что контактная группа...
АЗС-5 Автомат защиты сети АЗС-5 предназначен для автоматического отключения потребителей электроэнергии при перегрузках и коротких замыканиях в...
XY2CE1A250 Schneider Electric Тросовый концевой выключатель в металлическом корпусе 1NO 1NC
Переключатели предназначены для коммутации электрических цепей управления переменного тока частотой 50 (60) Гц напряжением 380 В, постоянного тока...
Выключатели пакетные серии ВП предназначены для работы в электрических цепях напряжением до 380 Вольт переменного тока частотой 50 Герц и до 220...
Выключатели концевые серии ВК-200, ВК-300 предназначены для применения в электрических цепях управления, сигнализации и контроля относительного...
ПроизводительSCHNEIDER ELECTRIC Тип аксессуаров для переключателейконтактная группа Контакты NO Нагрузка контакта AC @R (при активной нагрузке)3 A...
CV4C-YQ-05R2G-MM Выключатель джойстик OMTER
Переключатель четырехполюсный нажимной 4ПНГ. Предназначен для коммутации электрических цепей постоянного тока с активной и индуктивной нагрузками в...
Выключатели концевые серии ВК-200, ВК-300 предназначены для применения в электрических цепях управления, сигнализации и контроля относительного...
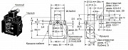
Назначение Выключатели концевые серии ВК-300 предназначены для применения в электрических цепях управления, сигнализации и контроля относительного...
Оборудуй.ком — объявления
по продаже оборудования
