Основные характеристики семейство изделий Реле управления TeSys К диапазон TeSys наименование изделия TeSys CAK тип изделия или компонента Реле...
Цены с НДС! Работаем по всей России, в наличии и на Заказ! Отгрузка до терминала ТК в г.Чебоксары бесплатная! ВЛ-59Догов. ВЛ-66, 67, 682100 ВС...
Реле промежуточные электромагнитные универсальные серии РПУ-0 предназначены для коммутации цепей управления переменного и постоянного тока....
ПРВ-6н Программируемое реле времени DigiTOP
Предлагаем к поставке Гидравлические насосы, Гидрораспределители, Гидроклапаны, Гидродроссели, Гидроцилиндры, Фильтры,...
ПроизводительFINDER Тип релеэлектромагнитное Контакты DPST-NO Номинальное напряжение обмотки230В AC Ток контактов макс.30А Серия реле66.82...
Vp-20A Реле напряжения V-protector DigiTOP
Hubbell 2210-132CC13S реле контроля скорости
Предлагаем к поставке Гидравлические насосы, Гидрораспределители, Гидроклапаны, Гидродроссели, Гидроцилиндры, Фильтры,...
ассортимент TeSys наименование товара TeSys CAD тип продукта или компонента Контрольное реле краткое название устройства CAD контактное приложение...
Реле промежуточные электромагнитные универсальные серии РПУ-0 предназначены для коммутации цепей управления переменного и постоянного тока....
Новые с хранения в наличии 2шт Реле давления TGL 10952 DDR ORSTA D5 CO3 L3 Pn 32 TGL 10952 IP 54 C03 Гидравлический датчик давления D5 CO 3 L 3 Pn...
Переключатели фаз ПФ-40А, предназначены для питания однофазных устройств напряжением с заданными параметрами, а также для защиты от перепадов...
Продаём из наличия электротепловые реле (невостребованные остатки по одному из проектов) РТИ 1306 (регулируемый ток срабатывания 1 - 1,6А) и РТИ...
Реле промежуточные электромагнитные универсальные серии РПУ-0 предназначены для коммутации цепей управления переменного и постоянного тока....
Переключатели фаз ПФ-40А, предназначены для питания однофазных устройств напряжением с заданными параметрами, а также для защиты от перепадов...
РЭН-34 ХП4.500.000-01 Слаботочные, электромагнитные герметичные реле РЭН-34 ХП4.500.000-01 предназначены для коммутации электрических цепей...
Реле промежуточные универсальные серии РПУ-2М На 220 вольт -постоянного напряжения Серебро -1.25 гр Новый в упаковке 8 штук Цена 800 руб\шт Вышлю в...
Основные характеристики семейство продуктов Zelio Control тип изделия или компонента Модульные реле измерения и управления тип реле...
Технические характеристики AQY214EHA: Номер продуктаAQY214EHA
Vp-63A Реле напряжения V-protector DigiTOP
Vp-10AS Реле напряжения V-protector DigiTOP
Реле промежуточные электромагнитные универсальные серии РПУ-0 предназначены для коммутации цепей управления переменного и постоянного тока....
Реле промежуточные электромагнитные универсальные серии РПУ-0 предназначены для коммутации цепей управления переменного и постоянного тока....
Реле защиты трансформатора РЗТ-50: - диаметр условного прохода: 50 мм; - исполнение : газовое двухпоплавковое; - пороговые значения скорости...
Индикаторы - реле протока DW разработаны для контроля и индикации потока жидкости в трубах. Они гарантируют надежный контроль в системах охлаждения...
ЭМРВ-27Б-1 реле времени электромашинное предназначено для коммутации электрических цепей с определенными предварительно установленными выдержками...
Технические характеристики Артикул EA02.002.010 Напряжение питания24-264 В AC/DC Максимальный коммутируемый ток (AC1)16/NCНезависимых каналов1...
Основные характеристики диапазон TeSys наименование продукта TeSys GV2 краткое имя устройства GV2P тип изделия или компонента Автоматический...
Пневматические приставки выдержки времени ПВИ позволяют получить задержку замыкания или размыкания вспомогательной цепи от 0,1 до 180 с....
Ассортимент продукции Zelio Relay Продукт или компонент тип Твердотельное реле Краткое название устройства SSM Количество каналов 1 Сетевой номер...
Герконовые реле РГК-14. Цена действительна при заказе партии от 100 штук.
Технические характеристики датчика расхода YF-B2
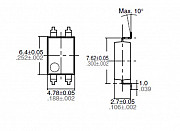
Кол-во контактов :2 перекидных Материал контакта :AgNi Номинальный ток :8А Номинальное/максимальное напряжение на переключение :250/400В...
диапазон TeSys наименование изделия TeSys CAD тип изделия или компонента Реле управления краткое название устройства CAD применение контактора Цепь...
Реле промежуточные электромагнитные универсальные серии РПУ-0 предназначены для коммутации цепей управления переменного и постоянного тока....
МАРКИРОВКА РЭВ-201М Реле времени многофункциональное РВ 100; РВ 200; РСВ 160; РСВ 255; РСВ 260 ; РВ 01; РВ 03 РСВ 14; РСВ-01-1; РСВ-01-4; РСВ-01-3;...
Переключатели фаз ПФ-40А, предназначены для питания однофазных устройств напряжением с заданными параметрами, а также для защиты от перепадов...
Оборудуй.ком — объявления
по продаже оборудования
